所谓轻触开关就是在使用的过程中轻轻点按开关按钮便可以使开关接通,一旦松开手开关就会断开。因为轻触开关是靠金属弹片受力弹动来实现通断的。然而轻触开关由于其体积小重量轻所以在家用电器方面能够得到广泛的运用,例如:咖啡机,电视机,汽车等。当然12*12轻触开关也有它不足的地方,频繁的操作按动会使金属弹片疲劳失去弹性而引发失效。所以现在大部分电器的按钮都使用导电橡胶来代替,例如电脑键盘,遥控器等。
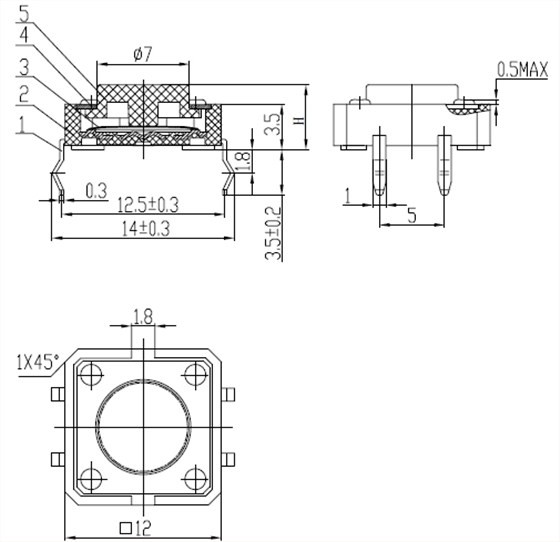
轻触开关由:嵌件、基座、弹片、按钮、盖板组成其中防水类轻触开关在弹片上加一层聚酰亚胺薄膜。
由于轻触开关是近十多年市场需求增长非常快、应用面也是非常广的一个产品。轻触开关的封装尺寸包括但不限于:2*4轻触开关、3*3进口轻触开关、 3*4小龟、4*4铜头轻触开关、4.5*4.5边三脚轻触开关(高度:3.8、4.3、5、5.5、6、6.5、 7、8等)、6*6惯例轻触开关(高度定制:4.3、5、5.5、6....21等)、8*8防水轻触开关(防水防尘等级IP67)、10*10防水系 列、12*12轻触开关。
现如今12*12轻触开关的运用范围在不断扩大,然而主要运用的领域在医疗电子产品、视频类电子产品、车载音响、家电类、便携式电子产品、检测测量仪器等。市场配套需求继续看好,而商家之间竞争也越来越激烈,主要体现在生产专业化、自动化越来越强。
可免费提供样品测试,欢迎前来咨询,

7.2*6.8带灯(KAN6811)
G10F
GYRSF
KAN6247贴片轻触开关