轻触世界 智造未来

小型化开关零组件品牌商

首页 行业资讯

5*5铜头贴片轻触开关——KAN0542,KAN0541

2017-12-29 14:20:38 

5*5铜头贴片轻触开关——KAN0542,KAN0541

KAN0542、KAN0541产品特点:防尘/防助焊剂/铜头;产品应用广泛,可应用于智能穿戴移动电源平板电脑GPS导航设备影音产品数码产品遥控器通讯产品白色家电黑色家电小家电医疗器材等

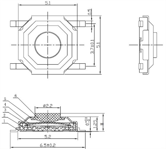
KAN0541

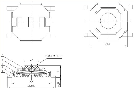
贴片轻触开关KAN0542

外形图:

KAN0541

基本参数:

工作温度:-20℃to+70℃

额定电流:50mA.12V DC

绝缘电阻:100mΩ min.100V DC

介电强度:250V AC for 1 min

接触电阻:100mΩ max

开关行程:0.25±0.1m

高  度:1.5/1.6/1.7/2.0/2.5/3.0/4.3mm

按  力:100gf/160gf/260gf

寿命:10万次/20万次/50万次/100万次

KAN0542

KAN0542

外形图:

KAN0542

基本参数:

工作温度:-20℃to+70℃

额定电流:50mA.12V DC

绝缘电阻:100mΩ min.100V DC

介电强度:250V AC for 1 min

接触电阻:100mΩ max

开关行程:0.25±0.1m

高  度:1.5/1.6/1.7/2.0/2.5/3.0/4.3mm

按  力:100gf/160gf/260gf

寿命:产品寿命:10万次/20万次/50万次/100万次。


新利18是什么平台


新利18是什么平台创立于1994年,专注于轻触开关等电子开关插座、变压器、继电器系列产品的研发、生产和销售。dq50总部位于浙江省乐清市,在浙江乐清、湖北广水、广东深圳分设3个制造工厂,在广东深圳设有独立的研发中心;公司在深圳、合肥、香港、新加坡设有销售分公司,并在国内北京、上海、广州、惠州和海外韩国、巴西各设有销售代表处,全球职工800余人。全国服务热线:18705771505

网友热评

Baidu
map