luck官网正版入口 的结构设计。越是高端的产品,在设计上越为巧妙,但只有细节上,才能够让消费者佩服设计之精巧。防水轻触开关的结构设计能够彰显出人性化和机械化的合理融合,就能算是一个成功的设计。结构设计是防水轻触开关的核心,也是人们关注的重中之重。
防水轻触开关的使用手感。使用手感是需要人们近距离接触的,因为不仅要从外观上去观看,还需要具体地实际触摸去感受。防水轻触开关一旦被触碰,将会十分灵敏的相应,反应时间越短性能越优越。
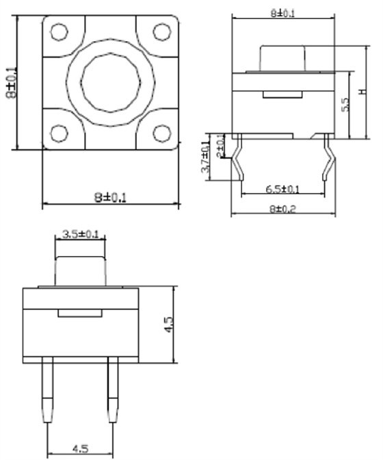
8*8防水轻触开关
产品型号:KAN0811
防水轻触开关材料的选择。随着时间年数的增加,防水轻触开关的材质也会被氧化,防水膜变得有些脆弱。所以选择材料的时候要选择结实耐用的防腐蚀防水硅胶垫材料,这样以后不论是在高温干旱还是潮湿阴冷的环境中,防水轻触开关都能保持不错的性能防水不变形不破损,能够较长时间保持使用性能,材料的坚固耐用也能增加开关的使用寿命。
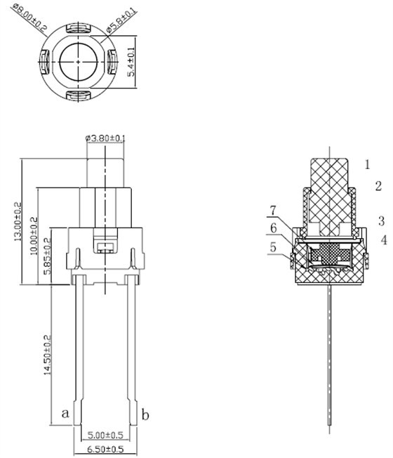
8*8防水轻触开关
产品型号:KAN0851
新利18是什么平台的轻触开关几乎占有全部优势,与进口轻触开关使用相同的材料、封装工艺和全自动生产设备,从产品用料、结构设计和品质稳定性等来看,优于国产开关一个等级;而工厂的价格、供货周期和配合度等也有明显优势!一分钱一分货,我们宁愿为价格作一时的解释,也不愿为品质向客户解释一辈子!相信新利18是什么平台会是您优先的选择!期待与您合作!
可免费提供样品测试,欢迎来电咨询。


7.2*6.8带灯(KAN6811)
G10F
GYRSF
KAN6247贴片轻触开关