轻触世界 智造未来

小型化开关零组件品牌商

首页 行业资讯

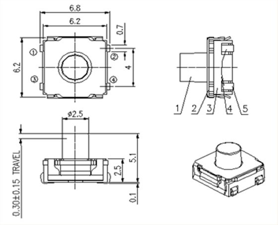
硅胶按键6*6轻触开关 KAN6247

2017-12-14 17:22:12 

硅胶轻触开关KAN6247

图片1

QQ图片20171214162315


11

端子冲压工序控制

一、产品特性

1A类尺寸(首件抽检2整模):泡差0.070.01/-0.027.5±0.020.7+0/0.03

B类尺寸(修模后确认2整模):4.0±0.0227±0.036.8±0.02φ1.20.03/0

C类尺寸(相关刀具修模后确认2整模):1.1+0/-0.050.45+0/-0.035.1+0/-0.03

20.070.01/-0.02采用SPC管控,CPK≥1.33

3、外观:端子无垫伤,变形等不良;

二、过程特性(首件确认+IPQC巡检)

1、气压值(0.50.8MPa)

2、冲压速度(300400/min

36S按照SOP要求保持。

底座注塑工序控制

1A类尺寸(首件抽检2整模):泡差0.070.01/-0.020.33±0.021.0±0.02

B类尺寸(修模后确认2整模):6.3±0.02

C类尺寸(相关刀具修模后确认2整模):0.15±0.026.8±0.02

20.070.01/-0.02采用SPC管控,CPK≥1.33

3、外观:端子无垫伤,变形,塑胶无缺胶等外观不良现象;

二、过程特性(首件确认+IPQC巡检)

1、注塑机温度及时间设定依据SOP要求;

2、射出速度设定依据SOP要求;

36S按照SOP要求保持。

自动化组装工序控制

一、产品特性(首件确认+IPQC巡检)

1、按力依据SOP要求设定范围;

2、回复力依据SOP要求设定范围;

3、外观:盖板无变形、完全扣紧推钮无缝隙、塑胶表面无损伤、贴面端子无变形无银层刮伤、产品表面无脏污等;

4、底座内腔无异物。

二、过程特性(首件确认+IPQC巡检)

1、气压值(0.50.8MPa)

2、各零部件震动频率按照SOP值设定;

36S按照SOP要求保持。

自动化检测工序控制

一、产品特性(100%全检):

1.按力、回力、手感:依据SOP要求设定值;

2.OP值根据产品高度设定;

3.接触电阻:50mΩ max

4.绝缘电阻:DC 100V /1min,≥100MΩ。

自动化贴面度检测和编带工序控制1.底座端子脚采用CCD检测机检测端子脚贴面度,NG品自动剔除。

2.CCD检测机和编带机一体式,端子脚检测完毕,机械手自动抓取产品放入载带进行自动编带。

带负载寿命试验

1.将产品放入寿命测试机;

2.90/min,操作力:300gf

3.测试头对准按钮头部,确保测试头对准产品按钮中心;

4.负载寿命额定/额定(电阻负载)50mA 12V DC/10μA 1v DC,寿命要求≥100000次。

注:寿命检测每2万次测试1次变化值,检查产品是否NG并及时将寿命测试结果记录在案。

温度循环试验

1.低温测试,温度:-40±2℃,时间:120h

2.高温测试,温度:85±2℃,时间:120h

3.温度周期性测试,根据下面的测试要求进行5次循环的温度周期性测试;

4.湿温测试,温度:85±2℃,时间:120h

试验后,产品接触电阻≤200mΩ

盐雾试验

在以下设定条件下进行测量:

1)温度:35℃±2℃

2)盐溶液浓度:5±1%(质量百分比);

3)时间:48h±1h

实验后的盐沉积物后水冲洗干净,金属件上无腐蚀现象。

IP67防水试验

1.产品通过SMT仿真试验,自然冷却后放入水深1米处;

2.让产品浸泡在水中0.5H,取出测试样品在显微镜下观察成品内部零件是否有水渍,如有水渍判为NG,无水渍,判为OK

绝缘、耐压试验

1.绝缘电阻:

500V DC/1min.≥100MΩ

2.介质耐压

250V AC/1min,无击穿,无飞弧现象。

震动、冲击试验

1.由于本公司没有震动、冲击实验设备,需要委托第三方检测机构检测,并出示合格证明;或随整机进行震动、冲击实验。

2.具体试验方案可商定执行。

QQ图片20171214170721

新利18是什么平台坚持以顾客价值创造为导向展开经营,遵奉“诚实、共赢、和谐、创新”的企业核心价值观,在企业内部创建具“快乐、幸福、满足感”的企业文化,为实现“精小技术服务美好生活”的使命全员参与共同努力,与广大顾客携手共生、共创、共赢未来。

网友热评

Baidu
map