轻触世界 智造未来

小型化开关零组件品牌商

首页 行业资讯

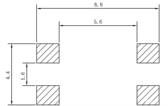
dq504.5*4.5轻触开关

2019-04-03 14:26:15 

轻触开关应用比较广泛,开关类型分为防水防尘型、贴片型、带灯型,直插型,超小超薄型,侧卧式等,尺寸也有多种,2*33*34*44.5*4.55*56*68*8,12*12.等。而且这其中对于规格不同的开关,都会有着不同的功能,那针对于应用的场景也是有所不同的。那下方接着主要给你们详细解说关于轻触开关4.5*4.5规格有哪些以及相关产品的性能解说。

KAN4541是贴片4.5*4.5轻触开关,方形轻触开关,有高度3.8/4.3/4.5/5/5.5/6/7mmKAN4541耐高温,可以回流焊,而且轻触开关KAN4541按键力度:100g/160g/250g等三种常规克力。其一般主要应用于音响、电视机、家用电器、收音机、电子仪器等行业使用。

20180131152922_8932

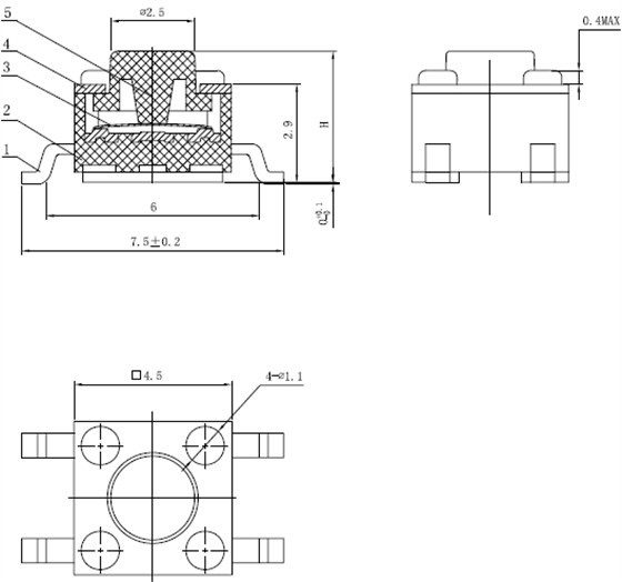
轻触开关KAN4541技术参数

使用范围温度:-20~70

保存温度范围:-30~80

额定值:DC 12V 50mA

接触电阻:≤50mΩ

绝缘电阻:≥100 MΩ

20160926082533_1562

部件材质

盖板:黄铜

基座:塑料PA66

引脚:材料黄铜,电镀材料银

按钮:塑料PA66

簧片:不锈钢

20160926082539_7343

新利18是什么平台现已通过了IAFO9001质量管理体系认证、ISO14001环境体系认证和OHSA18001职业健康安全管理体系认证、TS16949质量体系认证。我们在生产经营活动中全员参与防治污染,节废减排,提供符合环保(ROHS)标准的绿色产品,并入选中国和世界名优产品录,获得“中国电子工业部质量管理、质量信得过产品”称号,部分安规产品具有美国UL、德国TUV、加拿大CSA、欧洲VDE国际认证。服务热线:18705771505。可免费提供样品测试。

那么若是在大家在日常开关的使用上遇到什么不懂的问题,又或者是有需了解更多关于轻触开关的讯息,都是可以来咨询我们客服人员。

网友热评

Baidu
map