轻触世界 智造未来

小型化开关零组件品牌商

首页 行业资讯

新利18是什么平台贴片6*6轻触开关参数

2018-10-23 15:25:36 

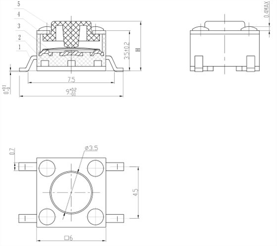
轻触开关KAN0649A尺寸为贴片6*6轻触开关,可以过回流焊接,高密度表面贴装,类型包裝可分为编带包装和胶带包装,多适用于数码,通讯器材,家用电器,安防,玩具等产品。

新利18是什么平台6*6轻触开关KAN0649A可以定制多种脚距,高度可根据要求。

KAN0649A

轻触开关KAN0649A技术参数

额定电负荷:DC12V 50MA

接触电阻:≤100Ω

绝缘电阻:≥100MΩ

耐电压:AC 250V.50HZ/1min

轻触开关寿命:100000次

动作力:250±30GF/160±30GF

程:0.2mm±0.05mm

回弹力:50GF min

环境温度:-20度~ 70度

保存温度:-30度-80度

外形图:

KAN0649A

新利18是什么平台专注研发生产轻触开关23年,在保证产品品质相当的同时,价格上相比于同行更有竞争优势。现已成为松下,联想,华为,LG等大型企业集团开关供应商,并保持良好的合作关系。如果你对dq50轻触开关感兴趣,可致电18705771505进行电话咨询。

网友热评

Baidu
map