轻触世界 智造未来

小型化开关零组件品牌商

首页 行业资讯

带你了解轻触开关内部组成结构

2018-01-03 15:23:26 

轻触开关内部结构由五个部分组成

列:KAN6247 给大家讲解:

1.上盖:材质为SUS

2.推钮和密封片一体:材质为硅胶

3.弹片:材质为SUS单面镀银

4.底座:材质为耐高温塑料

5.端子:材质为黄铜

如图:

QQ图片20180103152700

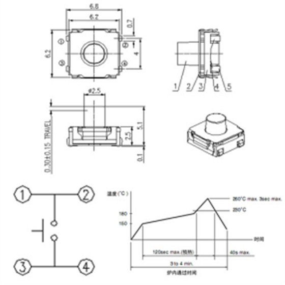
尺寸图:


QQ图片20180103152711


新利18是什么平台专注小型化电子零部件生产研发24年,轻触开关,微动开关,钮子开关,自无锁开关,拨动开关,拨码开关,防水轻触开关,带灯轻触开关,AC插座,DC插座,耳机插座,汇港继电器,汽车继电器,中间继电器,信号继电器,功率继电器,还可定制高频变压器,低频变压器,磁环变压器。

在保证产品品质相当的同时,价格上相比于同行更有竞争优势。现已成为松下,联想,华为,LG等大型企业集团开关供应商,并保持良好的合作关系。全国服务热线:18705771505

网友热评

Baidu
map