轻触世界 智造未来

小型化开关零组件品牌商

首页 行业资讯

微动开关的内部构造及应用

2018-03-09 11:26:45 

18新利备用 的构造

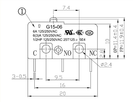
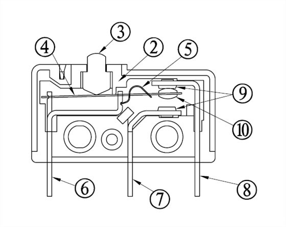
微动开关具有微小接点间隔和速动机构,用规定的行程和力进行开关动作的接点机构,被外壳覆盖,其外部有传动器,且外形较小。新利18是什么平台微动开关是由10个构成要素组成。

1和2上盖和下盖使用的材料为 PBT 30%GF

3按钮 材料为 PBT 30%GF

4切换片 材料为铍青铜

5:弹片 材料为铍青铜

6支架 材料为黄铜

7NC端子 材料为黄铜

8NO 端子 材料为黄铜

9端子银点 材料为银合金

10切换片银点 材料为银合金

微动开关

微动开关一般以无辅助按压附件为基本型式,并且派生出小行程式、大行程式。根据需要可加入不同辅助按压辅件,根据加入的不同的按压辅件开关可分为按钮式、簧片滚轮式、杠杆滚轮式、短动臂式、长动臂式等各种形式。

下面5个关键步骤可帮您选择适合您详细应用的微动开关。

步骤 1:了解开关的外形尺寸是如何影响其他特性的

选择微动开关时尺寸很重要。开关尺寸与其特性直接相关,包括电流范围、行程和操作力。例如,目前市场上的一种微动开关尺寸为0.50 英寸x0.236 英寸x0.197 英寸(LxWxH)。虽然这种微小的开关适合在紧凑型断路器中用于检测电路状态,但它通常仅能分断0.1 至3 安培 (A) 的电流,行程也较短。需要更大电流的应用场所通常需要较大的开关。比如油箱应用中,用于检测液位的微动开关就需要可以提供大行程并承受大电流。通常在液位开关应用中,开关要直接驱动水泵并承载较大电流。这就需要一个额定电流在125VAC 或250VAC 电压时为20A或25A的大型微动开关。提示:开关尺寸越小,其行程和可以分断的电流也就越小。另外,开关的外形尺寸也影响到操作力。在理想状况下,工程师们需要的是一个具有低操作力和高电流容量的开关。但事实上在这两个参数之间需要一个折衷。在提供大电流承受范围的同时要保持良好的接触,微动开关就需要更强的弹簧,而这会使得开关的操作力及外形尺寸变大。操作力范围可从增压气动型应用中的2 克,到电磁阀应用(需要较大操作力)中的8 盎司。市场上的一种开关尺寸为1.94 英寸x0.69 英寸x1.3 英寸(LxWxH)。工程师们还应当注意到开关的差动行程—开关跳闸位置与复位位置间的距离。其阈值依据不同的应用会有所不同。比如在温度开关应用中,开/关操作点应尽可以接近,差动行程应低至0.0001 英寸。但是在液位泵应用中,差动行程过近则可以会招致补水泵过于频繁的启停,缩短水泵的使用寿命。HRO韩荣部品的MICRO SWITCH?微动开关有多种配置可供选择,可以满足工程师们的特定需求。

微动开关

步骤2:了解您的电气要求

微动开关通常可以分断从 5mA/5VDC 至25A/250VAC 的电流。微动开关产品线提供了从低能耗型到功率负载电气型一系列产品,适用于各种应用。工程师们要知道详细应用所需的额定电流和电压(AC 或DC),以选择适宜的开关。由于所有行业的各种设备都致力于低能耗,所以微动开关要可以在低电流(逻辑电平负载)及直流电压下义务。但是,也有一些应用需要可以分断大电流和高电压的开关,比如工业级泵应用。除负载要求外,工程师们还要选择适宜的电路。开关触点必定是常开型 (NO) 和常闭型 (NC) 中的一种。关于NO 型触点,通常状况下触点间并无电流通过。当开关举措后,触点封锁,电路连通。关于NC 型触点,通常状况下触点间有电流通过。当开关举措后,触点翻开,电路断开。

步骤 3:思索环境条件

环境要求对微动开关的选择影响很大,尤其是在如工业控制、医疗设备等要求高可靠和关键性应用中。了解应用的环境条件包括空气中可以进入开关的污染物、开关所处的液体以及义务温度要求等。关于恶劣环境条件下的应用,您需要选择有着宽义务温度范围的密封型开关。高可靠的微动开关可在-65 华氏度(-54 摄氏度)至350 华氏度(177 摄氏度)温度范围内义务,可轻松应对各种应用。同时,还要注意开关的防护等级应至少为IP67 级,以避免液体侵入。这样便无需花费少量时间来设计一个可抵达同样防护等级的外壳。

微动开关

步骤 4:明白义务使用寿命要求

开关的可靠性很关键。您需要明白一个应用终究需要多少次的电气和机械操作寿命?不同的开关有着不同的触点材料、外壳及端子,可以满足不同应用中的电气和机械寿命需求。一个高可靠的微动开关在机械失效前可以操作 1000 万至2000 万次,在电气失效前可在负载下操作5 万至10 万次。至于不同质量开关间的细微价钱差异,您需要思索到使用的总本钱。因为您不单单要为开关买单,还要为确保开关长时间无故障运行买单。在许多状况下,使用更可靠的开关所需的额外本钱会被其在使用进程中较低的质保本钱所抵消。

步骤 5:反省机构认证要求

选择契合各种电气要求的开关可以帮助您简化针对不同区域的产品设计。一些主要的标准认证包括美国的UL 认证、加拿大的cUL 认证或CSA 认证、欧洲的ENEC 认证及的CQC 认证。在选择微动开关时,您需要思索多个因素,如外形尺寸、负载要求、义务环境及可靠性,因此要要了解实际的应用需求:需要多大尺寸的开关?需要的额定功率是多少?是否为高压应用?开关是否需要密封?开关是否需要承受极端温度,是否需要组织的认证?是否为关键性应用?一旦弄清楚了这些问题,选择适合该应用的开关就更加容易了。

微动开关

新利18是什么平台24年专注电子零部制造行业经验,具备对产品及程设完全自主开发能力可以,为客户提供、多品类的产配套及定制化开发,同 CANON 、 三星、LG 等世界 500 强企业长期合作,了解行顾客需求,能够为顾客提供系统化、已验证可行性的成熟产品解决方案,85%以上的产品自动化制造覆盖,确保产品品质稳定和可靠交期证;联系方式:18705771505

网友热评

Baidu
map