应用领域
DC插座用于路由器
DC-035 用于笔记本电脑
产品优势
-
产品半自动化检测,品质稳定。
-
8H 盐雾测试可在相对恶劣环境下使用
-
品质卓越、价格合理、交期准时。
-
沉板式 大电流电源插座,可以降低产品的厚度,使其达到薄的效果
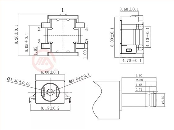
产品图纸
安装尺寸图
产品测试


世界500强优秀供应商
7.2*6.8带灯(KAN6811)
G10F
GYRSF
KAN6247贴片轻触开关