基本参数/PARAMETER
| 工作温度 | -20℃to+70℃ |
| 额定电流 | 50mA.12V DC |
| 绝缘电阻 | 100mΩ min.100V DC |
| 介电强度 | 250V AC for 1 min |
| 接触电阻 | 100mΩ max |
| 开关行程 | 0.25±0.1mm |
| 高 度 |
4.3/4.5/5.5/6.5/7/7.5/8/8.5/9/9.5/10/10.5/11/ 11.5/12/12.5/13/13.5/14/14.5/15/15.5/16/16.5/17/18mm |
| 按 力 | 100gf/160gf/260gf |
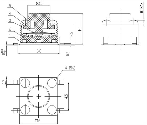
外形图/Specifications
安装孔尺寸图/Mounting hole dimensions
电路图/Schematic
焊接条件/Welding conditions
注意事项/Precautions
贴片式轻触开关系列使用注意事项:
1. 考虑清洗触摸开关时,请协商。
2. 请不要从触摸开关上面浸入助焊剂。
3. 请不要事前在开关端子及印刷电路板的零部件贴装面上涂助焊剂。
4. 进行第2次焊接时,应在开关回复到常温之后进行。
应用行业/By Industry
|







