基本参数/PARAMETER
| 工作温度 | -30℃to+80℃ |
| 额定电流 | 50mA.12V DC |
| 绝缘电阻 | 100MΩ min.100V DC |
| 介电强度 | 250V AC for 1 min |
| 接触电阻 | 100mΩ max |
| 开关行程 | 0.25±0.1mm |
| 高 度 |
4.3mm-15mm |
| 按 力 | 100gf/160gf/260gf |
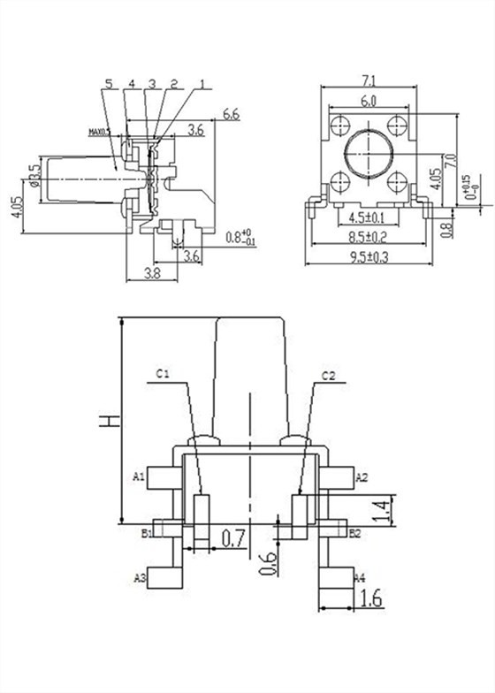
外形图/Specifications
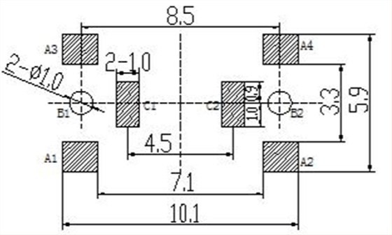
安装孔尺寸图/Mounting hole dimensions
电路图/Schematic
焊接条件/Welding conditions
说明/Precautions
- 一 1 开关浸焊后,注意不要用溶剂清洗。
- 2 在使用烙铁的情况下,焊锡温度应在 350℃以下、3 秒以内。
- 3 浸焊后,注意不要在顶部施加负荷。
- 二 设计中应注意的事项
- 1 印刷基板的安装孔尺寸参见产品图。
- 三注意点
- 1 注意不要施加超负荷的压力或晃动开关
- 2 开关浸焊后,印刷基板注意不要叠放。
- 3 保管时尤其应注意避开高湿高温和有腐蚀性气体的环境。如需要长时间保存,请不要打开包装箱。
应用行业/By Industry
|


7.2*6.8带灯(KAN6811)
SK13D01(07)
PS22F02L-2B1
KAN0742C
KAN6432
KAN6841
PS22F05