轻触世界 智造未来

小型化开关零组件品牌商

首页 汽车电子

EPB 汽车电子手刹开关

EPB 汽车电子手刹开关
  • 产品型号:MS15A-A
  • 规格特点:汽车电子手刹开关

产品简介

产品型号:MS15A-A
产品名称:汽车电子手刹开关

产品详情

基本参数/PARAMETER

型号 MS15A-A
电气寿命 200000
电性能 接触电阻(初期/寿命后) ≤75mΩ max./200 mΩ max
操作力 1.3±0.5N
行程 见产品图纸
最大额定值 50mA DC18V
最小额定值 50uA DC5V
耐电压 AC 250V
操作温度 -40~85℃
端子形状
贴片脚
端子数
6

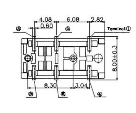
产品规格书/Specifications

汽车微动开关

QQ图片20210712162642

电路图/Schematic


KEE0]W)E50DVA3XZDOJ[HLN

焊接条件/Welding conditions

QQ图片20210712164058

应用行业/By Industry


QQ图片20210712164206

我要下单

  • 姓名
  • 手机
  • 留言

网友热评

Baidu
map