轻触世界 智造未来

小型化开关零组件品牌商

首页 汽车电子

汽车类产品KTD0623

汽车类产品KTD0623
  • 产品型号:KTD0623
  • 规格特点:汽车类产品

产品简介

产品详情

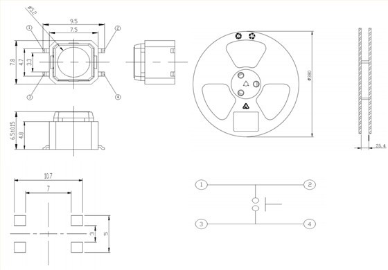
基本参数/PARAMETER

型号 KTD0623-0651K0101
电气寿命 100000
绝缘电阻 ≥100MΩ
接触电阻 ≤100mΩ
操作力 5.0±1N
开关行程 1mm +0.2/-0.3mm
最大额定值 50mA DC16V

最小额定值

10uA DC1V
耐电压
AC 250V
操作温度
-40~90℃
端子形状 折弯脚
端子数 4

产品规格书/SPECIFICATIONS

QQ图片20210804152558


安装孔尺寸图/MOUNTING HOLE DIMENSIONS

电路图/SCHEMATIC


QQ图片20210804152639


焊接条件/WELDING CONDITIONS

QQ图片20210804151256

注意事项/PRECAUTIONS

1.1开关浸焊后,注意不要用溶剂清洗。
After switches were soldered,please be careful not to clean switches with solvent.
1.2在使用烙铁的情况下,焊锡温度应在350℃以下、3秒以内。
In the case of using soldering iron, soldering conditions shall be 350max and 3 sec.max.
1.3浸焊后,注意不要在顶部施加负荷。
Right after immersion welding;please be careful not to load to on the knobs of switches.
2设计中应注意的事项( Design instructions):
2.1印刷基板的安装孔尺寸参见产品图。
Follow recommended P.W.B. piercing plan in outside drawing page.
3注意点(Note):
3.1注意不要施加超负荷的压力或晃动开关
Please be cautions not to give excessive static load or shock to switches.
3.2开关浸焊后,印刷基板注意不要叠放。
Please be careful not to pile up P.W.B.after switches were soldered
3.3保管时尤其应注意避开高湿高温和有腐蚀性气体的环境。如需要长时间保存,请不要打开包装箱。
Preservation under high temperature and high high humidity or corrosive gas should be avoided
Especially . When you need to preserve for a long

应用行业/BY INDUSTRY

我要下单

  • 姓名
  • 手机
  • 留言

网友热评

Baidu
map