繁體中文 EnglishDeutsch 收藏本站 在线留言 站点地图 新浪微博 腾讯微博

您好,欢迎来到18luck手机客户端官网!

热搜关键词: 微型船型开关变压器品牌卧式贴片插座继电器生产厂家拨动开关

当前位置首页 » 新利18是什么平台新闻中心 » 行业资讯 » 4x4铜头轻触开关

4x4铜头轻触开关

返回列表 来源:dq50 作者: 查看手机网址
扫一扫!4x4铜头轻触开关扫一扫!
浏览:- 发布日期:2019-05-17 17:10:28【

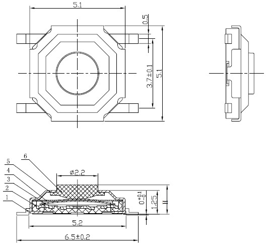
    4x4铜头轻触开关说的是轻触开关长宽,这种开关的高有很多种类,比如说1.5/1.7/2.3/2.5/3.0/3.5/3.7/4.3/6等高度,4x4轻触开关通常也称为5.2x5.2轻触开关,一般属于贴片系列,柄低点的可以编带,高的不建议耗费成本有点高,编带的目的主要是便于运输和储存,有些机械组装的编带好的也有利于组装

 

20180131152840_3924

  从上面的介绍我们可以总结为4x4铜头轻触开关的尺寸有

    4x4x1.4/4x4x1.7/4x4x2.3/4x4x2.5/4x4x3.0/4x4x3.5/4x4x3.7/4x4x4.3/4x4x6等尺寸,因为轻触开关属于定做产品在高度方面几乎说不好,你可以比这个尺寸高点也可以低点,所以说这个尺寸只是一个大概也属常规使用的尺寸。

 

    4x4轻触开关主要参数:

 使用寿命小于或等于10万次

 使用温度最低温度一般在-25摄氏度,较高温度在70摄氏度左右

 工作电压在12V之间,工作电流小于或等于50mA

 绝缘电阻小于或者等于100欧姆

 操作力度可以根据实际需求来调整,力度不低于分为三种,A:100gf  B160gf  C260gf

 接触电阻大于100M欧姆

 耐压性能在250V之间

 

20160926083414_7968

    4x4轻触开关参数一般所说的都是常规的,对某些有特需要求的客户参数都可以改变的,可提供样品测试,欢迎来电咨询!

推荐阅读

    【本文标签】:4x4铜头轻触开关 4*4轻触开关 5*5铜头轻触开关
    【责任编辑】:dq50版权所有://www.dq50.com转载请注明出处
    Baidu
    map