繁體中文 EnglishDeutsch 收藏本站 在线留言 站点地图 新浪微博 腾讯微博

您好,欢迎来到18luck手机客户端官网!

热搜关键词: 微型船型开关变压器品牌卧式贴片插座继电器生产厂家拨动开关

当前位置首页 » 新利18是什么平台新闻中心 » 行业资讯 » 6*6防水轻触开关型号及规格解析

6*6防水轻触开关型号及规格解析

返回列表 来源:dq50 作者: 查看手机网址
扫一扫!6*6防水轻触开关型号及规格解析扫一扫!
浏览:- 发布日期:2018-01-15 15:13:41【

   luck官网正版入口 很多种,主要就是型号规格不一样,在不同的产品上使用的防水轻触开关型号和封装规格都不一样。6*6防水轻触开关是一种常用的防水轻触开关尺寸,其他的还有7*7、8*8、10*10、12*12等好多种尺寸。就给大家分解6*6防水轻触开关的型号及封装规格。

随着科技的发展,产品质量的要求也就越来越高,人们的生活要求也进入了一个全新的的时代,6*6防水轻触开关的防水等级也有各种各样的,当然按照正常的就是防水性能越好的,价格相对要贵一些,由于消费者对产品的品质要求越来越高,所以价格这个问题是不太在乎的,主要就是在乎产品质量,现在每行每业,如果要走得长远,质量就要放在重要的位置。

   6*6防水轻触开关KAN0616: 长宽尺寸为:6*6, 高度有4.3mm-12mm不等,可根据客户的不同要求来进行定制,动作力度为160gf60gf两种;产品寿命:10万次;适用于具有防水防尘要求的影音产品数码产品遥控器安防产品玩具汽车电子仪表仪器医疗器材等方面。

   KAN0616实物图

防水轻触开关


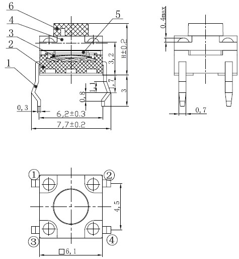
KAN0616外形图

尺寸图


相关参数如下:

   工作温度-20℃to+70℃;额定电流:50mA.12V DC;绝缘电阻:100mΩ min.100V DC;介电强度:250V AC for 1 min;接触电阻:100mΩ  max;开关行程:0.25±0.1mm;由于参数还有好多性的,这里就不一一做解。

   新利18是什么平台创立于1994年,专注于轻触开关等电子开关插座、变压器、继电器系列产品的研发、生产和销售。产品主要应用于家用电器、3C(计算机、通讯、消费电子)、办公设备、医疗、安防、个人护理、汽车电子、工业控制等领域。全国服务热线:18705771505

Baidu
map