繁體中文 EnglishDeutsch 收藏本站 在线留言 站点地图 新浪微博 腾讯微博

您好,欢迎来到18luck手机客户端官网!

热搜关键词: 微型船型开关变压器品牌卧式贴片插座继电器生产厂家拨动开关

当前位置首页 » 新利18是什么平台新闻中心 » 行业资讯 » 6*6轻触开关KAN0616规格参数和应用

6*6轻触开关KAN0616规格参数和应用

返回列表 来源:dq50 作者: 查看手机网址
扫一扫!6*6轻触开关KAN0616规格参数和应用扫一扫!
浏览:- 发布日期:2021-07-27 16:37:32【

每个企业研发新的电子产品,都需要挑选适合的轻触开关但是难就难在轻触开关的选择上,需要从多个方面去考虑,首先就是产品尺寸是否适合新产品的使用:其他方面就是产品质量、产品寿命、成本控制等;最后还要明确自家产品使用轻触开关的定位,电子元器件,无论是军工级、汽车级,还是工业产品或者是C端消费电子,不同的点位决定了不同的行业产品规范。接下来新利18是什么平台给大家介绍一款6*6轻触开关;

6*6轻触开关——产品型号KAN0616

图片1

轻触开关KAN0616基本参数:

工作温度

-20℃to+70℃

额定电流

50mA.12V DC

绝缘电阻

100mΩ min.100V DC

介电强度

250V AC for 1 min

接触电阻

100mΩ  max

开关行程

0.25±0.1mm

高  度

4.3/4.5/5.5/6.5/7/7.5/8/8.5/9/9.5/10/

10.5/11/11.5/12mm

按  力

160gf/260gf

轻触开关KAN0616产品高度在生产过程中可以调节高度尺寸4.3-12mm产品力度可供选择;产品力度:160gf/260gf,产品寿命:10万次

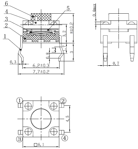
外形图:

图片2

安装尺寸图

图片3

焊接条件

图片4

KAN0616型号应用十分广泛,在医疗仪器数码相机电脑外设通讯设备健生器材安防产品影音设备玩具行业遥控设备家用电器等家用电智能穿戴、数码产品、通讯产品、手机、平板、汽车电子等结构紧凑的电子设备都有应用。


行车记录仪-KAN0616应用案例

图片5

新利18是什么平台创立于1994年,专注于轻触开关等电子开关插座、变压器、继电器系列产品的研发、生产和销售。产品主要应用于家用电器、3C(计算机、通讯、消费电子)、办公设备、医疗、安防、个人护理、汽车电子、工业控制等领域。全国服务热线:18705771505

Baidu
map