繁體中文 EnglishDeutsch 收藏本站 在线留言 站点地图 新浪微博 腾讯微博

您好,欢迎来到18luck手机客户端官网!

热搜关键词: 微型船型开关变压器品牌卧式贴片插座继电器生产厂家拨动开关

当前位置首页 » 新利18是什么平台新闻中心 » 常见问题 » 防水轻触开关制造商哪个比较好

防水轻触开关制造商哪个比较好

返回列表 来源:dq50 作者: 查看手机网址
扫一扫!防水轻触开关制造商哪个比较好扫一扫!
浏览:- 发布日期:2020-11-17 14:50:48【
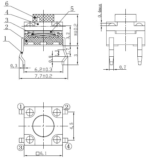
新利18是什么平台生产防水轻触开关,是深圳比较有名的防水轻触开关厂家。下面我来给大家推荐一下新款的防水轻触开关KAN0616。该型号尺寸为6mm*6mm,目前主要广泛应用于3C电子等行业。此外,还提供4.5*4.5、7*7、8*8、12*12防水触摸开关等,产品型号齐全。
基本规格参数
工作温度  -20℃to+70℃
额定电流  50mA.12V DC
绝缘电阻  100mΩ min.100V DC
介电强度  250V AC for 1 min
接触电阻  100mΩ  max
开关行程  0.25±0.1mm
高  度  4.3/4.5/5.5/6.5/7/7.5/8/8.5/9/9.5/10/10.5/11/11.5/12mm
按  力  160gf/260gf

KAN0616参考图纸


20160924162636_7134

KAN0616是目前使用率比较高、卖得比较好的luck官网正版入口 型号,防水轻触开关制造商就选新利18是什么平台,我们将竭诚为您
服务,更多产品信息请关注官网或咨询在线客服!

Baidu
map