繁體中文 EnglishDeutsch 收藏本站 在线留言 站点地图 新浪微博 腾讯微博

您好,欢迎来到18luck手机客户端官网!

热搜关键词: 微型船型开关变压器品牌卧式贴片插座继电器生产厂家拨动开关

当前位置首页 » 新利18是什么平台新闻中心 » 行业资讯 » 微动开关

微动开关

返回列表 来源:dq50 作者: 查看手机网址
扫一扫!微动开关扫一扫!
浏览:- 发布日期:2018-03-22 11:04:23【

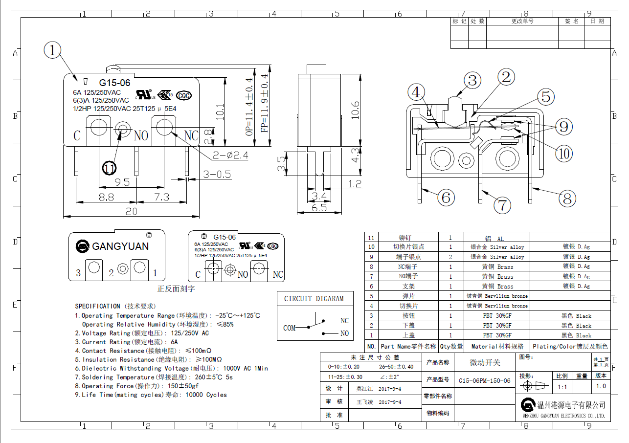
    新利18是什么平台微动开关可作机械量和电信号的转换元件,广泛应用于控制和精密机械技术领域里。开关的外形尺寸可在通用,符合DIN标准。开关的镀金接线端子嵌压进开关底座,底座的材料具有高的防爬行电流之特点,接线方式有螺丝、插头及焊接三种方式

    今天就带大家了解微动开关的参数。

    18新利备用  具有微小接点间隔和快动机构, 用规定的行程和规定的力进行开关动作的接点结构, 用外壳覆盖, 其外部有驱动杆的一种开关。(以下称开关)有接点 :在开关类型中, 和具有开关特性的半导体开关相比, 通过接点的机械开关来实现开关的功能。接触形式 :根据各种用途构成接点的电气输入输出电路[(16)中显示]

额定值:一般指作为开关特性和性能的保证基准的值, 例如额定电流、额定电压等,其前提是特定的条件(负载的种类、电流、电压、频率等)。


微动开关图纸

    绝缘电阻:指非连接端子间、各端子和不带电金属部位间、各端子和地间的电阻值。  耐压:在规定的测定部位加1分钟高电压后, 不会引起绝缘损坏的临界值。  接触电阻:表示接点的接触部位的电阻, 但一般表示包含弹簧和端子部位导体电阻的电阻值。


微动开关系列

    抗振性:误动作振动 微动开关在使用时, 由于振动闭合的接点在超过规定的时间内不分离的振动范围。 

    抗冲击性:耐久冲击 指微动开关在运输中或者安装时不会受到由该机械冲击带来的各部位的损伤, 并满足动作特性的范围内的冲击。 误动作冲击?指微动开关使用时由于冲击闭合的接点在超过规定的时间内不分离的冲击范围


微动开关

    机械寿命:指接点不通电, 以规定的操作频率将过行程(OT)设定为规格值使其运行时的开关寿命。 

    电气寿命:在接点上连接额定负载, 以规定的操作频率将过行程(OT 设定为规格值进行开关时的开关寿命。

    新利18是什么平台24年专注小型化电子零部件生产研发、主营:18新利备用 ,轻触开关,拨动开关,自无锁开关,钮子开关,DC/AC/耳机插座,继电器,变压器等等。千万次重复,品质始终如一。    全国服务热线:18705771505

Baidu
map