繁體中文 EnglishDeutsch 收藏本站 在线留言 站点地图 新浪微博 腾讯微博

您好,欢迎来到18luck手机客户端官网!

热搜关键词: 微型船型开关变压器品牌卧式贴片插座继电器生产厂家拨动开关

当前位置首页 » 新利18是什么平台新闻中心 » 行业资讯 » 小型微动开关的外形尺寸适合高科技电子精密化的要求

小型微动开关的外形尺寸适合高科技电子精密化的要求

返回列表 来源:dq50 作者: 查看手机网址
扫一扫!小型微动开关的外形尺寸适合高科技电子精密化的要求扫一扫!
浏览:- 发布日期:2018-09-29 17:13:47【

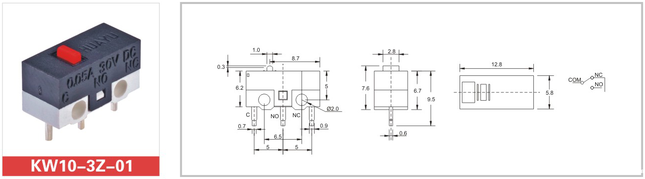
   选择18新利备用 时尺寸很重要。开关尺寸与其特性直接相关,包括电流范围、行程和操作力。例如,目我司上的一种微动开关尺寸为12.8mm×5.8mm×9.5mm。虽然这种微小的开关适合在紧凑型断路器中用于检测电路状态,但它通常仅能分断0.1至3安培(A)的电流,行程也较短。

微动开关

   需要更大电流的应用场合通常需要较大的开关。比如油箱应用中,用于检测液位的微动开关就需要能够提供大行程并承受大电流。通常在液位开关应用中,开关要直接驱动水泵并承载较大电流。这就需要一个额定电流在125VAC或250VAC电压时为20A或25A的大型微动开关。

   提示:开关尺寸越小,其行程和能够分断的电流也就越小。

   许多高科技产品里特别是电子产品里都有小型微动开关的存在。微动开关也大大把他的特点发挥到了极致。由于体积小,作用大。使与之匹配的生产商生产了更多漂亮的产品。如现在越来越薄的超薄手机,正是因为有了微动开关的存在才使它的外观越来越美观,体积越来越轻巧。总之,微动开关 虽小,但作用不可忽视。它的未来发展也越来越被看好。

微动开关

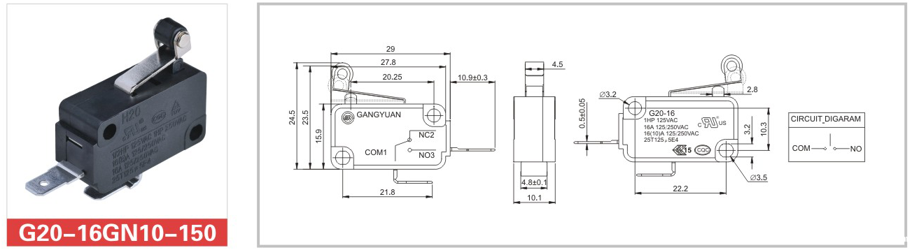
   另外,小型微动开关的外形尺寸也影响到操作力。在理想情况下,工程师们需要的是一个具有低操作力和高电流容量的开关。但事实上在这两个参数之间需要一个折衷。在提供大电流承受范围的同时要保持良好的接触,微动开关就需要更强的弹簧,而这会使得开关的操作力及外形尺寸变大。操作力范围可从增压气动型应用中的2克,到电磁阀应用(需要较大操作力)中的150gf我公司尺还可以达到为29mm×10.1mm×24.5mm附图(G20-16GN10-150新利18是什么平台服务热线:18705771505。 

Baidu
map