繁體中文 EnglishDeutsch 收藏本站 在线留言 站点地图 新浪微博 腾讯微博

您好,欢迎来到18luck手机客户端官网!

热搜关键词: 轻触贴片开关18新利备用 继电器,HKE继电器,欧姆龙微型继电器luck官网下载安卓 低频变压器高频变压器

联系dq50
咨询热线: 187-0577-1505

邮箱:sales027@gangyuan.com.cn

4.5*4.5侧插式轻触开关

产品型号:KAN4561
产品名称:侧插式轻触开关
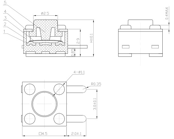
产品尺寸:4.5×4.5×H/ H=3.8/4.3/4.5/5/5.5/6/7mm
产品力度:100gf/160gf/260gf
产品寿命:10万次/20万次/50万次/
订购热线:18705771505
立即咨询
产品详情咨询热线:18705771505

基本参数/PARAMETER

工作温度 -30℃to+80℃
额定电流 50mA.12V DC
绝缘电阻 100MΩ min.100V DC
介电强度 250V AC for 1 min
接触电阻 100 max
开关行程 0.2±0.1mm
高  度 3.8/4.3/4.5/5/5.5/6/7mm
按  力 100gf/160gf/260gf

外形图/Specifications

搜狗截图20161018103811

安装孔尺寸图/Mounting hole dimensions

搜狗截图20161018103829


电路图/Schematic

搜狗截图20161018103752

焊接条件/Welding conditions

焊接条件

注意事项/Precautions

直插式轻触开关系列使用注意事项:

1. 考虑清洗触摸开关时,请协商。   

2. 请不要从触摸开关上面浸入助焊剂。 

3. 请不要事前在开关端子及印刷电路板的零部件贴装面上涂助焊剂。   

4. 进行第2次焊接时,应在开关回复到常温之后进行。 

5. 请使用比重为0.81以上的助焊剂。

应用行业/By Industry

医疗器材
医疗器材
18新利备用
变频器
笔记本电脑
18新利备用
汽车音响开关
18新利备用
汽车导航仪
18新利备用
AR,VR
18新利备用
测试仪器
安防设备
18新利备用
蓝牙耳机
18新利备用
智能手表


GANGYUAN
汽车电子产品

电脑鼠标

汽车门锁

内部检测

带闩锁验证

运动限位感应

面板关闭检测

白色/家电开关

电饭煲

微波炉

热水器

搅拌器/食物处理器

洗衣机/烘干机

咖啡机

家用便携设备

家用便携设备

AR,VR

化学分析仪器

工业设备

无人机

工业设备

转换器

医疗器械

健康器具

分析检查器具

医疗器具

移动设备

 笔记本电脑   



精彩触手可击dq50微键发展,品质与信誉同行
QQ图片20190815154222_副本

1、研发设计

自主设计开发能力,从来不惧模仿

深圳设有独立的研发中心,具备从产品到制程模具、自动化设备的自主设计开发能力


研发设计


2、多品类配套

做工精细,2000多种规格产品系

防水/防助焊剂/带LED/超薄/SMD/AIG等多功能设计

以配合产品制程安装、使用环境的可信赖使用

多品类配套

做工精细,2000多种规格产品


用心坚持专业,服务从心开始

3、快速响应式服务

用心坚持,服务从心开始

24*365小时服务,提供更具竞争力的产品;

高标准、严要求、品质有保障

全国服务热线:187-0577-1505

快速响应式服务

采购:4.5*4.5侧插式轻触开关

  • *联系人:
  • *手机:
  • 公司名称:
  • 邮箱:
  • *采购意向:
  • *验证码:验证码
Baidu
map