繁體中文 EnglishDeutsch 收藏本站 在线留言 站点地图 新浪微博 腾讯微博

您好,欢迎来到18luck手机客户端官网!

热搜关键词: 轻触贴片开关18新利备用 继电器,HKE继电器,欧姆龙微型继电器luck官网下载安卓 低频变压器高频变压器

联系dq50
咨询热线: 187-0577-1505

邮箱:sales027@gangyuan.com.cn

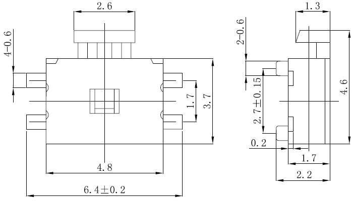
4.8*3.5贴片轻触开关

产品型号:KAN0445
产品名称:贴片式(SMD)轻触开关
产品规格:4.8X3.5MM
产品力度:160gf/260gf
产品寿命:5万次/10万次
产品特点:直脚.侧按.防尘防助焊剂
订购热线:18705771505
立即咨询
产品详情咨询热线:18705771505

基本参数/PARAMETER

工作温度 -30℃to+80℃
额定电流 50mA.12V DC
绝缘电阻 100mΩ min.100V DC
介电强度 250V AC for 1 min
接触电阻 100mΩ  max
开关行程 0.2±0.1m
按  力 160gf/260gf

外形图/Specifications

搜狗截图20160926104205

安装孔尺寸图/Mounting hole dimensions

搜狗截图20160926104259

电路图/Schematic

搜狗截图20160926104325


焊接条件/Welding conditions

焊接条件


注意事项/Precautions

贴片式轻触开关系列使用注意事项:

1. 考虑清洗触摸开关时,请协商。 

2. 请不要从触摸开关上面浸入助焊剂。 

3. 请不要事前在开关端子及印刷电路板的零部件贴装面上涂助焊剂。 

4. 进行第2次焊接时,应在开关回复到常温之后进行。

应用行业/By Industry

医疗器材
医疗器材
18新利备用
微波炉
微波炉
电脑鼠标
电脑鼠标
18新利备用
门铃
18新利备用
电饭煲
电饭煲
18新利备用
小家电
小家电
18新利备用
测试仪器
安防设备
18新利备用
军工用品
18新利备用
通讯设备
通讯设备


GANGYUAN
汽车电子产品

电脑鼠标

汽车门锁

内部检测

带闩锁验证

运动限位感应

面板关闭检测

白色/家电开关

电饭煲

微波炉

热水器

搅拌器/食物处理器

洗衣机/烘干机

咖啡机

测试与测量

离心机

仪表仪器

化学分析仪器

楼宇自动化

热成本分配器

能源管理和保护

阀门起动器

医疗器械

血压监测仪

手术缝合器

...

安防设备

 入侵警报   

自动门

精彩触手可击dq50微键发展,品质与信誉同行
QQ图片20190815154222_副本

1、研发设计

自主设计开发能力,从来不惧模仿

深圳设有独立的研发中心,具备从产品到制程模具、自动化设备的自主设计开发能力


研发设计


2、多品类配套

做工精细,2000多种规格产品系

防水/防助焊剂/带LED/超薄/SMD/AIG等多功能设计

以配合产品制程安装、使用环境的可信赖使用

多品类配套

做工精细,2000多种规格产品


用心坚持专业,服务从心开始

3、快速响应式服务

用心坚持,服务从心开始

24*365小时服务,提供更具竞争力的产品;

高标准、严要求、品质有保障

全国服务热线:187-0577-1505

快速响应式服务

采购:4.8*3.5贴片轻触开关

  • *联系人:
  • *手机:
  • 公司名称:
  • 邮箱:
  • *采购意向:
  • *验证码:验证码
Baidu
map