繁體中文 EnglishDeutsch 收藏本站 在线留言 站点地图 新浪微博 腾讯微博

您好,欢迎来到18luck手机客户端官网!

热搜关键词: 轻触贴片开关18新利备用 继电器,HKE继电器,欧姆龙微型继电器luck官网下载安卓 低频变压器高频变压器

联系dq50
咨询热线: 187-0577-1505

邮箱:sales027@gangyuan.com.cn

G28汽车座椅开关

订购热线:18705771505
立即咨询
产品详情咨询热线:18705771505

基本参数/PARAMETER

工作温度 -40℃to+85℃
绝缘电阻 100mΩ min.100V DC
介电强度 250V AC for 1 min
接触电阻 100mΩ  max
开关行程 0.25±0.1m
总行程 2.5mm

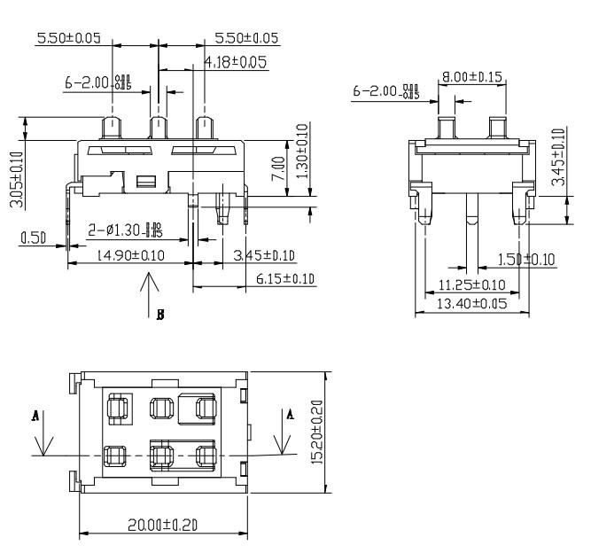
外形图/SPECIFICATIONS


$Q`DQP5J([Z56AQC8F~H0Z7


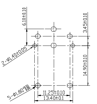
PCB LAYOUT图

C]3ZHZDT~J@SYO@~F3(U7I5

电路图/SCHEMATIC

0KE_L9}8ZXY932R`~S%TAVF

焊接条件/WELDING CONDITIONS

请按照下面的说明在自动焊接(流焊)过程中。
(1)禁止使用成形焊剂。 请使用喷雾助焊剂,因为如果使用成形助焊剂,助焊剂可以进
入产品内部。
(2)应用助焊剂时,请采取措施防止回流淋浴。 由于产品没有防尘结构,请保护滑动部
分和接头部分。
(3)温度条件预热:120±10℃,持续 30 秒。 焊锡:245 至 260℃,最多 5 秒。
(4)禁止使用移动到 L 侧或 R 侧的执行机构进行焊接。 由于预热和焊接温度升高,会使
产品性能恶化。
焊接时请确保执行器处于中性位置


注意事项/PRECAUTIONS

贴片式轻触开关系列使用注意事项:

1. 考虑清洗触摸开关时,请协商。 

2. 请不要从触摸开关上面浸入助焊剂。 

3. 请不要事前在开关端子及印刷电路板的零部件贴装面上涂助焊剂。 

4. 进行第2次焊接时,应在开关回复到常温之后进行。

应用行业/BY INDUSTRY

医疗器材
医疗器材
变频器
笔记本电脑
汽车音响开关
汽车导航仪
测试仪器
安防设备
蓝牙耳机
智能手表


GANGYUAN
汽车电子产品

电脑鼠标

汽车门锁

内部检测

带闩锁验证

运动限位感应

面板关闭检测

白色/家电开关

电饭煲

微波炉

热水器

搅拌器/食物处理器

洗衣机/烘干机

咖啡机

家用便携设备

家用便携设备

AR,VR

化学分析仪器

工业设备

无人机

工业设备

转换器

医疗器械

健康器具

分析检查器具

医疗器具

移动设备

 笔记本电脑   




精彩触手可击dq50微键发展,品质与信誉同行
QQ图片20190815154222_副本

1、研发设计

自主设计开发能力,从来不惧模仿

深圳设有独立的研发中心,具备从产品到制程模具、自动化设备的自主设计开发能力


研发设计


2、多品类配套

做工精细,2000多种规格产品系

防水/防助焊剂/带LED/超薄/SMD/AIG等多功能设计

以配合产品制程安装、使用环境的可信赖使用

多品类配套

做工精细,2000多种规格产品


用心坚持专业,服务从心开始

3、快速响应式服务

用心坚持,服务从心开始

24*365小时服务,提供更具竞争力的产品;

高标准、严要求、品质有保障

全国服务热线:187-0577-1505

快速响应式服务

采购:G28汽车座椅开关

  • *联系人:
  • *手机:
  • 公司名称:
  • 邮箱:
  • *采购意向:
  • *验证码:验证码
Baidu
map