繁體中文 EnglishDeutsch 收藏本站 在线留言 站点地图 新浪微博 腾讯微博

您好,欢迎来到18luck手机客户端官网!

热搜关键词: 轻触贴片开关18新利备用 继电器,HKE继电器,欧姆龙微型继电器luck官网下载安卓 低频变压器高频变压器

联系dq50
咨询热线: 187-0577-1505

邮箱:sales027@gangyuan.com.cn

KAN6247贴片轻触开关

产品型号:KAN6247
产品名称:硅胶按键(SMD)轻触开关
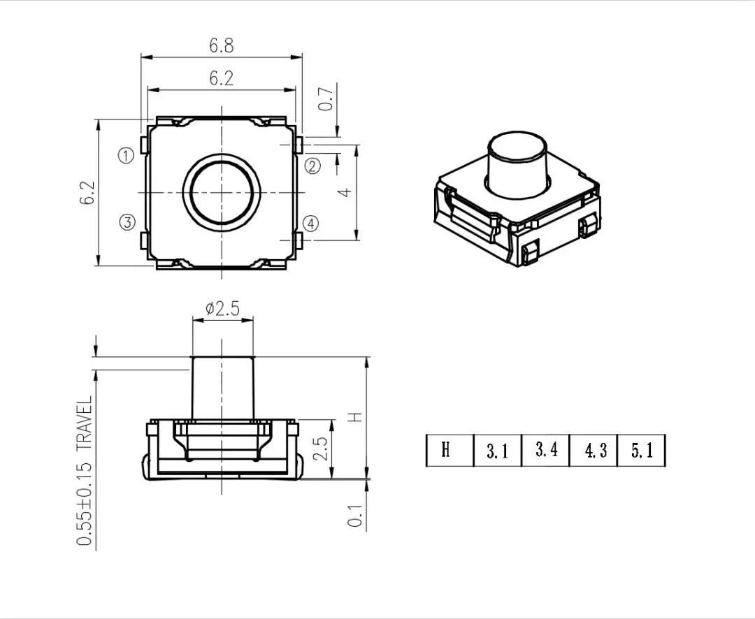
产品规格:6.2*6.2×H/H=3.1MM/3.4MM/4.3MM/5.1MM
产品力度:160gf±50/200±50gf/260±50gf/ 350gf±100gf/500gf±100gf
产品寿命:10万次-50万次
订购热线:18705771505
立即咨询
产品详情咨询热线:18705771505

基本参数/PARAMETER

工作温度 -40℃to+85℃
额定电流 50mA .12V DC/10μA .1V DC
绝缘电阻 100MΩ min.100VDC
介电强度 250V AC for 1 min
接触电阻 ≤100MΩ
开关行程 0.25±0.1mm/0.3±0.1mm/0.35±0.15mm/0.45±0.15mm/0.5±0.25mm/0.55±0.25mm
高  度 3.1MM/3.4MM/4.3MM/5.1MM
按  力 160gf±50/200±50gf/260±50gf/350gf±100gf/500gf±100gf

外形图/SPECIFICATIONS

QQ图片20181017114851

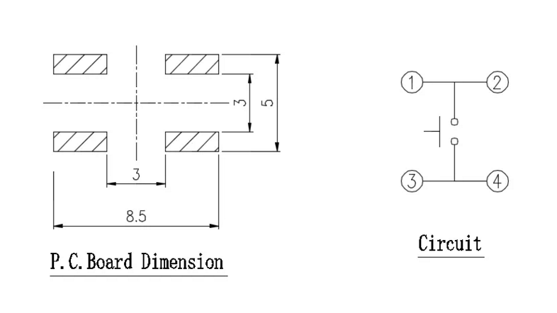
安装孔尺寸图/MOUNTING HOLE DIMENSIONS


QQ图片20181017115308


电路图/SCHEMATIC

QQ图片20181017115333

焊接条件/WELDING CONDITIONS

焊接条件

注意事项/PRECAUTIONS

应用行业/By Industry

医疗器材
医疗器材
18新利备用
变频器
笔记本电脑
笔记本电脑
18新利备用
汽车音响开关
汽车音响开关
18新利备用
汽车导航仪
汽车导航仪
18新利备用
AR,VR
AR,VR
18新利备用
测试仪器
安防设备
18新利备用
蓝牙耳机
蓝牙耳机
18新利备用
智能手表
智能手表


GANGYUAN
汽车电子产品

电脑鼠标

汽车门锁

内部检测

带闩锁验证

运动限位感应

面板关闭检测

白色/家电开关

电饭煲

微波炉

热水器

搅拌器/食物处理器

洗衣机/烘干机

咖啡机

家用便携设备

家用便携设备

AR,VR

化学分析仪器

工业设备

无人机

工业设备

转换器

医疗器械

健康器具

分析检查器具

医疗器具

移动设备

 笔记本电脑   



精彩触手可击dq50微键发展,品质与信誉同行
QQ图片20190815154222_副本

1、研发设计

自主设计开发能力,从来不惧模仿

深圳设有独立的研发中心,具备从产品到制程模具、自动化设备的自主设计开发能力


研发设计


2、多品类配套

做工精细,2000多种规格产品系

防水/防助焊剂/带LED/超薄/SMD/AIG等多功能设计

以配合产品制程安装、使用环境的可信赖使用

多品类配套

做工精细,2000多种规格产品


用心坚持专业,服务从心开始

3、快速响应式服务

用心坚持,服务从心开始

24*365小时服务,提供更具竞争力的产品;

高标准、严要求、品质有保障

全国服务热线:187-0577-1505

快速响应式服务

采购:KAN6247贴片轻触开关

  • *联系人:
  • *手机:
  • 公司名称:
  • 邮箱:
  • *采购意向:
  • *验证码:验证码
Baidu
map