繁體中文 EnglishDeutsch 收藏本站 在线留言 站点地图 新浪微博 腾讯微博

您好,欢迎来到18luck手机客户端官网!

热搜关键词: 轻触贴片开关18新利备用 继电器,HKE继电器,欧姆龙微型继电器luck官网下载安卓 低频变压器高频变压器

联系dq50
咨询热线: 187-0577-1505

邮箱:sales027@gangyuan.com.cn

PJ-2033 SMT 2.5耳机插座

产品型号:PJ-2033
产品名称:SMT 2.5耳机插座
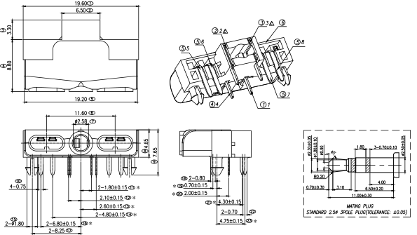
产品尺寸:19.6×12.1×4.65MM
产品性能:2.5 四极耳机插座
订购热线:18705771505
立即咨询
产品详情咨询热线:18705771505

基本参数/PARAMETER

工作温度 -20℃to+70℃
耐压 AC250V(50Hz)/min
额定负荷 DC 30V 0.5A
动作力 3~20N
接触电阻 ≤0.05Ω 
寿命 5000
绝缘电阻 ≥100mΩ

外形图/Specifications

搜狗截图20161007101807


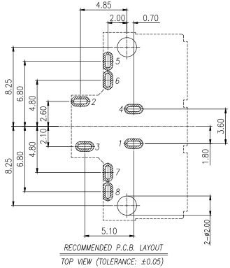
安装孔尺寸图/Mounting hole dimensions

搜狗截图20161007101844

电路图/Schematic

搜狗截图20161007101831

焊接条件/Welding conditions

搜狗截图20161007085507

注意事项/Precautions

应用行业/By Industry

手机立体设计、耳机,CD机、无线电话、MP3机、笔记本电脑、DVD、数码产品,影音产品等行业

精彩触手可击dq50微键发展,品质与信誉同行
QQ图片20190815154222_副本

1、研发设计

自主设计开发能力,从来不惧模仿

深圳设有独立的研发中心,具备从产品到制程模具、自动化设备的自主设计开发能力


研发设计


2、多品类配套

做工精细,2000多种规格产品系

防水/防助焊剂/带LED/超薄/SMD/AIG等多功能设计

以配合产品制程安装、使用环境的可信赖使用

多品类配套

做工精细,2000多种规格产品


用心坚持专业,服务从心开始

3、快速响应式服务

用心坚持,服务从心开始

24*365小时服务,提供更具竞争力的产品;

高标准、严要求、品质有保障

全国服务热线:187-0577-1505

快速响应式服务

采购:PJ-2033 SMT 2.5耳机插座

  • *联系人:
  • *手机:
  • 公司名称:
  • 邮箱:
  • *采购意向:
  • *验证码:验证码
Baidu
map