繁體中文 EnglishDeutsch 收藏本站 在线留言 站点地图 新浪微博 腾讯微博

您好,欢迎来到18luck手机客户端官网!

热搜关键词: 轻触贴片开关18新利备用 继电器,HKE继电器,欧姆龙微型继电器luck官网下载安卓 低频变压器高频变压器

联系dq50
咨询热线: 187-0577-1505

邮箱:sales027@gangyuan.com.cn

汽车类轻触开关KAN3242A

产品型号:KAN3242A
产品名称:贴片轻触开关
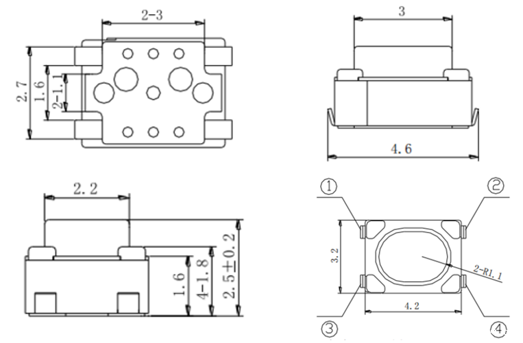
产品规格:4.2×3.2×2.5mm
产品力度:100gf/160gf/260gf
产品寿命:10W、50W、100W次
产品特点:耐高温,可过2次回流焊
订购热线:18705771505
立即咨询
产品详情咨询热线:18705771505

基本参数/PARAMETER

绝缘电阻 ≥100MΩ
接触电阻 ≤500mΩ
操作力 2.6N±0.5N
开关行程 0.20mm +0.1mm
最大额定值 50mA DC12V

最小额定值

10uA DC1V
耐电压
AC 250V
操作温度
-40~90℃
端子形状 折弯脚
端子数 2

产品规格书/SPECIFICATIONS

图片1


安装孔尺寸图/MOUNTING HOLE DIMENSIONS微信图片_20210811170613


电路图/SCHEMATIC

QQ图片20210804153915

焊接条件/WELDING CONDITIONS

QQ图片20210804151256

注意事项/PRECAUTIONS


1.1 开关浸焊后,注意不要用溶剂清洗。
After switches were soldered,please be careful not to clean switches with solvent.
1.2 在使用烙铁的情况下,焊锡温度应在 350℃以下、秒以内。
In the case of using soldering iron, soldering conditions shall be 350℃ max and 3 sec.max.
1.3 浸焊后,注意不要在顶部施加负荷。
Right after immersion welding;please be careful not to load to on the knobs of switches.
设计中应注意的事项( Design instructions):
2.1 印刷基板的安装孔尺寸参见产品图。
Follow recommended P.W.B. piercing plan in outside drawing page.
注意点(Note):
3.1 注意不要施加超负荷的压力或晃动开关
Please be cautions not to give excessive static load or shock to switches.
3.2 开关浸焊后,印刷基板注意不要叠放。
Please be careful not to pile up P.W.B.after switches were soldered
3.3 保管时尤其应注意避开高湿高温和有腐蚀性气体的环境。如需要长时间保存,请不要打开包装箱。
Preservation under high temperature and high high humidity or corrosive gas should be avoided
Especially . When you need to preserve for a long 


应用行业/BY INDUSTRY

精彩触手可击dq50微键发展,品质与信誉同行
QQ图片20190815154222_副本

1、研发设计

自主设计开发能力,从来不惧模仿

深圳设有独立的研发中心,具备从产品到制程模具、自动化设备的自主设计开发能力


研发设计


2、多品类配套

做工精细,2000多种规格产品系

防水/防助焊剂/带LED/超薄/SMD/AIG等多功能设计

以配合产品制程安装、使用环境的可信赖使用

多品类配套

做工精细,2000多种规格产品


用心坚持专业,服务从心开始

3、快速响应式服务

用心坚持,服务从心开始

24*365小时服务,提供更具竞争力的产品;

高标准、严要求、品质有保障

全国服务热线:187-0577-1505

快速响应式服务

采购:汽车类轻触开关KAN3242A

  • *联系人:
  • *手机:
  • 公司名称:
  • 邮箱:
  • *采购意向:
  • *验证码:验证码
Baidu
map