繁體中文 EnglishDeutsch 收藏本站 在线留言 站点地图 新浪微博 腾讯微博

您好,欢迎来到18luck手机客户端官网!

热搜关键词: 轻触贴片开关18新利备用 继电器,HKE继电器,欧姆龙微型继电器luck官网下载安卓 低频变压器高频变压器

联系dq50
咨询热线: 187-0577-1505

邮箱:sales027@gangyuan.com.cn

GE1211-B-H2编码器

产品型号:GE1211-B-H2
系列:GE12
手工焊接:300℃ Max. 3S Max.
波峰焊接:255±3°C. 5S Max.
回转寿命:30000+200 Cycles
应用领域: 家电,多媒体音箱,仪器仪表
订购热线:18705771505
立即咨询
产品详情咨询热线:18705771505

基本参数/PARAMETER

脉冲/定位 15/30
全回转角度 循环360°
输出信号 A B两向增量型
底座 5.0mm
引脚 3个编码器引脚和2开关引脚
额定功率 DC5V 10mA
回转寿命
30000+200 Cycles

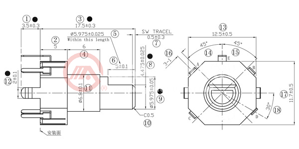
外形图/Specifications


QTCH_}$85_TO)}~51KDU81F

注意事项/Precautions

编码器使用注意事项:
1、 编码器信号的计算方法应将操作的速度,信号的取样时间及电子回路中的微电脑软体等考虑进去
2、 在设计是要考虑到杂讯,建议使用R/C滤泼电路
3、 产品勿碰水,可能会导致输出波型异常


〓 产品优势:
1.中空编码器特点:薄型稳固式中空轴,晃动量极小、手感好、旋转寿命长、定位感清晰、旋转手感顺滑
2.输出稳定,安装稳固,薄型设计。
3.中间空间可附加按压开关机构。

应用行业/By Industry

医疗器材
医疗器材
18新利备用
微波炉
微波炉
电脑鼠标
电脑鼠标
18新利备用
门铃
18新利备用
电饭煲
电饭煲
18新利备用
小家电
小家电
18新利备用
测试仪器
安防设备
18新利备用
军工用品
18新利备用
通讯设备
通讯设备


GANGYUAN
汽车电子产品

电脑鼠标

汽车门锁

汽车功放

带闩锁验证

运动限位感应

汽车导航用品

白色/家电开关

电饭煲

微波炉

热水器

搅拌器/食物处理器

洗衣机/烘干机

咖啡机

测试与测量

离心机

仪表仪器

化学分析仪器


多媒体控制器

智能家居

照明

医疗器械

血压监测仪

手术缝合器

...

安防设备

 入侵警报   

自动门

对讲机

精彩触手可击dq50微键发展,品质与信誉同行
QQ图片20190815154222_副本

1、研发设计

自主设计开发能力,从来不惧模仿

深圳设有独立的研发中心,具备从产品到制程模具、自动化设备的自主设计开发能力


研发设计


2、多品类配套

做工精细,2000多种规格产品系

防水/防助焊剂/带LED/超薄/SMD/AIG等多功能设计

以配合产品制程安装、使用环境的可信赖使用

多品类配套

做工精细,2000多种规格产品


用心坚持专业,服务从心开始

3、快速响应式服务

用心坚持,服务从心开始

24*365小时服务,提供更具竞争力的产品;

高标准、严要求、品质有保障

全国服务热线:187-0577-1505

快速响应式服务

采购:GE1211-B-H2编码器

  • *联系人:
  • *手机:
  • 公司名称:
  • 邮箱:
  • *采购意向:
  • *验证码:验证码
Baidu
map