繁體中文 EnglishDeutsch 收藏本站 在线留言 站点地图 新浪微博 腾讯微博

您好,欢迎来到18luck手机客户端官网!

热搜关键词: 微型船型开关变压器品牌卧式贴片插座继电器生产厂家拨动开关

当前位置首页 » 新利18是什么平台新闻中心 » 行业资讯 » 5*5铜头贴片轻触开关——KAN0542,KAN0541

5*5铜头贴片轻触开关——KAN0542,KAN0541

返回列表 来源:dq50 作者: 查看手机网址
扫一扫!5*5铜头贴片轻触开关——KAN0542,KAN0541扫一扫!
浏览:- 发布日期:2017-12-29 14:20:38【

5*5铜头贴片轻触开关——KAN0542,KAN0541

  KAN0542、KAN0541产品特点:防尘/防助焊剂/铜头;产品应用广泛,可应用于智能穿戴移动电源平板电脑GPS导航设备影音产品数码产品遥控器通讯产品白色家电黑色家电小家电医疗器材等

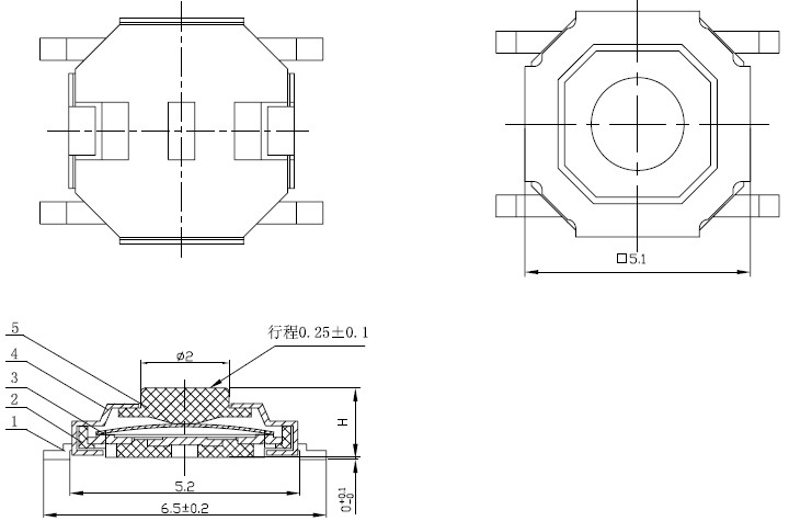
KAN0541 

贴片轻触开关KAN0542

   外形图:

  

KAN0541                 

   基本参数:

   工作温度:-20℃to+70℃

   额定电流:50mA.12V DC

   绝缘电阻:100mΩ min.100V DC

   介电强度:250V AC for 1 min

   接触电阻:100mΩ  max

   开关行程:0.25±0.1m

   高  度:1.5/1.6/1.7/2.0/2.5/3.0/4.3mm

   按  力:100gf/160gf/260gf

   寿   命:10万次/20万次/50万次/100万次

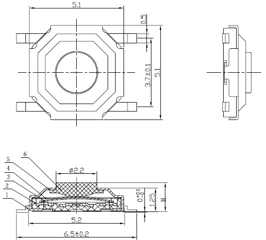
   KAN0542 

KAN0542 

 外形图:

KAN0542

   基本参数:

   工作温度:-20℃to+70℃

   额定电流:50mA.12V DC

   绝缘电阻:100mΩ min.100V DC

   介电强度:250V AC for 1 min

   接触电阻:100mΩ  max

   开关行程:0.25±0.1m

   高  度:1.5/1.6/1.7/2.0/2.5/3.0/4.3mm

   按  力:100gf/160gf/260gf

   寿   命:产品寿命:10万次/20万次/50万次/100万次。


新利18是什么平台


   新利18是什么平台创立于1994年,专注于轻触开关等电子开关插座、变压器、继电器系列产品的研发、生产和销售。dq50总部位于浙江省乐清市,在浙江乐清、湖北广水、广东深圳分设3个制造工厂,在广东深圳设有独立的研发中心;公司在深圳、合肥、香港、新加坡设有销售分公司,并在国内北京、上海、广州、惠州和海外韩国、巴西各设有销售代表处,全球职工800余人。全国服务热线:18705771505

Baidu
map