繁體中文 EnglishDeutsch 收藏本站 在线留言 站点地图 新浪微博 腾讯微博

您好,欢迎来到18luck手机客户端官网!

热搜关键词: 微型船型开关变压器品牌卧式贴片插座继电器生产厂家拨动开关

当前位置首页 » 新利18是什么平台新闻中心 » 行业资讯 » 带灯轻触开关 KAN6811

带灯轻触开关 KAN6811

返回列表 来源:dq50 作者: 查看手机网址
扫一扫!带灯轻触开关 KAN6811扫一扫!
浏览:- 发布日期:2017-12-30 17:28:11【

   

20160924094030_5020

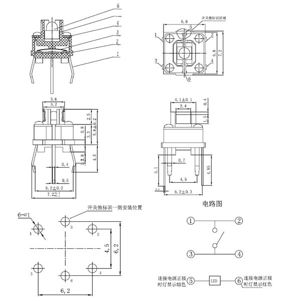
尺寸:7.2*6.8*6.8mm

产品寿命:10万次/20万次/50万次/100万次

LED灯颜色:红色、橙色、黄色、绿色、蓝色、双色等  不同颜色的灯价格也会有所不同。

影音产品:办公设备:白色家电;黑色家电:小家电:安防产品:玩具:仪表仪器;健身器材;医疗器材等。


未标题-1

 

工作温度

-20℃to+70℃

额定电流

50mA.12V DC

绝缘电阻

100mΩ min.100V DC

介电强度

250V AC for 1 min

接触电阻

100mΩ max

开关行程

0.25±0.1mm

高  度

6.8mm

按  力

160gf/260gf

 

 

20160924093234_8301

带灯轻触开关 KAN0713

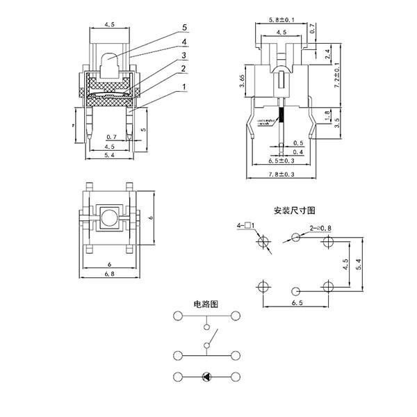
尺寸:6×6×7.3mm

产品寿命:10万次/20万次/50万次/100万次

LED灯颜色:红色、橙色、黄色、绿色、蓝色、双色等


未标题-2

 

工作温度

-20℃to+70℃

额定电流

50mA.12V DC

绝缘电阻

100mΩ min.100V DC

介电强度

250V AC for 1 min

接触电阻

100mΩ max

开关行程

0.25±0.1mm

高  度

7.3mm

按  力

160gf/260gf

 

 

 

 

    带灯轻触开关的使用

 

   带灯轻触开关的使用越来越流行,也越来越广泛。带灯轻触开关有一定的手感,使用时候不同的力度,可以达到不同效果,特别是使用的力度公差范围比较小的时候,其手感会更好一些。带灯轻触开关的八大优势,这是带灯轻触开关较突出的一个特点,使用带灯轻触开关时,弹片的精密度也是很重要的,这种弹片在开关内部,该弹片的作用就是控制带灯轻触开关,一单弹片出现问题,那么开关就无法正常使用。

 

带灯轻触开关的很多材料自身都有防尘隔电的效果,在日常使用的时候要小心维护。人们可以从带灯轻触开关这一隔电材料上着手,杜绝更多的生产隐患。在日常维护检测带灯轻触开关的的时候,我们应注意轻触开关有没有因为时间老化变得脆弱变质、灵敏性下降,或者开裂等质量问题。如有发现带灯轻触开关有操作异常的情况发生,切记一定不要擅自进行拆卸,这是一个很危险的做法。没有的维修环境,很多高端电器产品都是需要在隔绝灰尘的环境下进行开箱,因为灰尘会带有导电的效果。所以带灯轻触开的检测维修一定要在专门的环境下进行。由于带灯轻触开关的灵敏性高,所以,在按压时要注意不能过度用力挤压。因为无论是精密仪器上的控制按钮还是简单及其上的按键,它们的原理都一样,使用时如果用大力按压或者敲击等都会降低带灯轻触开关本身感应的灵敏程度。

 

新利18是什么平台专注研发生产轻触开关23年,在保证产品品质相当的同时,价格上相比于同行更有竞争优势。现已成为松下,佳能,联想,爱安德等大型企业集团开关供应商,并保持良好的合作关系。期待您的光临。

Baidu
map