繁體中文 EnglishDeutsch 收藏本站 在线留言 站点地图 新浪微博 腾讯微博

您好,欢迎来到18luck手机客户端官网!

热搜关键词: 微型船型开关变压器品牌卧式贴片插座继电器生产厂家拨动开关

当前位置首页 » 新利18是什么平台新闻中心 » 行业资讯 » 带你了解轻触开关内部组成结构

带你了解轻触开关内部组成结构

返回列表 来源:dq50 作者: 查看手机网址
扫一扫!带你了解轻触开关内部组成结构扫一扫!
浏览:- 发布日期:2018-01-03 15:23:26【

   轻触开关内部结构由五个部分组成

   列:KAN6247 给大家讲解:

   1.上盖:材质为SUS       

   2.推钮和密封片一体:材质为硅胶

   3.弹片:材质为SUS单面镀银     

   4.底座:材质为耐高温塑料    

   5.端子:材质为黄铜

   如图:

QQ图片20180103152700

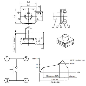
   尺寸图:


QQ图片20180103152711


   新利18是什么平台专注小型化电子零部件生产研发24年,轻触开关,微动开关,钮子开关,自无锁开关,拨动开关,拨码开关,防水轻触开关,带灯轻触开关,AC插座,DC插座,耳机插座,汇港继电器,汽车继电器,中间继电器,信号继电器,功率继电器,还可定制高频变压器,低频变压器,磁环变压器。

   在保证产品品质相当的同时,价格上相比于同行更有竞争优势。现已成为松下,联想,华为,LG等大型企业集团开关供应商,并保持良好的合作关系。全国服务热线:18705771505

Baidu
map