繁體中文 EnglishDeutsch 收藏本站 在线留言 站点地图 新浪微博 腾讯微博

您好,欢迎来到18luck手机客户端官网!

热搜关键词: 微型船型开关变压器品牌卧式贴片插座继电器生产厂家拨动开关

当前位置首页 » 新利18是什么平台新闻中心 » 行业资讯 » 新利18是什么平台贴片6*6轻触开关参数

新利18是什么平台贴片6*6轻触开关参数

返回列表 来源:dq50 作者: 查看手机网址
扫一扫!新利18是什么平台贴片6*6轻触开关参数扫一扫!
浏览:- 发布日期:2018-10-23 15:25:36【

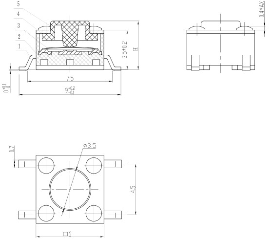
轻触开关KAN0649A尺寸为贴片6*6轻触开关,可以过回流焊接,高密度表面贴装,类型包裝可分为编带包装和胶带包装,多适用于数码,通讯器材,家用电器,安防,玩具等产品。

   新利18是什么平台6*6轻触开关KAN0649A可以定制多种脚距,高度可根据要求。 

KAN0649A

   轻触开关KAN0649A技术参数

   额定电负荷:DC12V 50MA

   接触电阻:≤100Ω

   绝缘电阻:≥100MΩ

   耐电压:AC 250V.50HZ/1min

   轻触开关寿命:100000次

   动作力:250±30GF/160±30GF

   行 程:0.2mm±0.05mm

   回弹力:50GF min

   环境温度:-20度~ 70度

   保存温度:-30度-80度

   外形图: 

KAN0649A

新利18是什么平台专注研发生产轻触开关23年,在保证产品品质相当的同时,价格上相比于同行更有竞争优势。现已成为松下,联想,华为,LG等大型企业集团开关供应商,并保持良好的合作关系。如果你对dq50轻触开关感兴趣,可致电18705771505进行电话咨询。

推荐阅读

    【本文标签】:6*6轻触开关 贴片轻触开关 轻触开关厂家 新利18是什么平台
    【责任编辑】:dq50版权所有://www.dq50.com转载请注明出处
    Baidu
    map