轻触世界 智造未来

小型化开关零组件品牌商

首页 立式拨动开关

SS22F25

SS22F25
  • 特点:SS22F25
  • 规格:六脚直插拨动开关

产品简介

型号:SS22F25
直插拨动开关
操作力:300gf±100gf
使用寿命:10000次
接触型式:2P2T

产品详情

基本参数/PARAMETER

额定值 DC 50V 0.5A
接触型式 2 POLES, 2THROWS
绝缘阻抗 100MΩ 以上
接触电阻 30mΩ 以下
电器寿命 10000
操作力 300gf±100gf

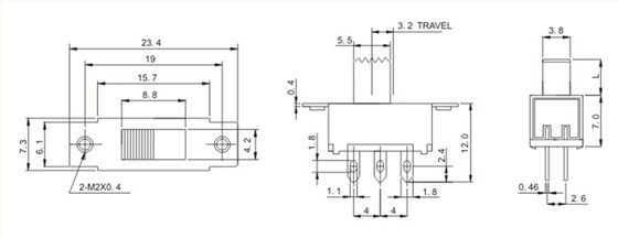
外形图/Specifications



QQ图片20180528172434

电路图/Schematic


QQ图片20180528172442

焊接条件/Welding conditions



回流焊图

应用行业/By Industry


set07

    新利Lucky
    新利Lucky


animation_mobile

新利Lucky
    笔记本电脑


animation_health

    介护
    医疗器具



set06

    洗衣机


set05

    新利Lucky
    新利Lucky


animation_ind

新利Lucky
    新利Lucky


我要下单

  • 姓名
  • 手机
  • 留言

网友热评

Baidu
map